Для обнаружения дефектов крепления и зазоров в шарнирных соединениях, сайлентблоках, кронштейнах амортизаторов ходовой части легковых и грузовых автомобилей, в подвеске двигателя, рулевом приводе, подшипниках ступиц колес и т.п., а также выявления мест возникновения различных посторонних стуков и скрипов предназначен детектор зазоров ходовой части и подвески.
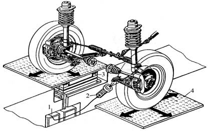
Детектор представляет собой одну или две стационарно установленные платформы, состоящие из неподвижных плит с антифрикционными наладками и подвижных площадок, которые лежат на антифрикционных накладках и могут перемещаться под воздействием штоков гидро- или пневмоцилиндров, расположенных во взаимно перпендикулярных направлениях.
Внешний вид детектора показан на рис. 20.1.

Принцип работы детектора заключается в принудительном перемещении колеса передней подвески автомобиля знакопеременными силами и визуальном определении соответствующих люфтов. Колеса автомобиля устанавливают на две площадки, которые под действием привода попеременно, с частотой примерно 1 Гц, перемещаются в разные стороны, создавая на колесах имитацию движения по неровностям дороги. Сочлененные узлы: шаровые опоры, шкворневые соединения, шарниры рулевых тяг, узел посадки сошки руля и др. – визуально проверяются на недопустимые перемещения, стуки, скрипы.
В зависимости от модели стенда площадки, на которых устанавливаются колеса автомобиля, передают поперечные, поперечно-продольные или поперечно-продольные и диагональные (по диагонали под углом 45°) колебания с частотой примерно одно движение в секунду, имитируя движение по дороге. Ход площадок в одном направлении составляет 40…150 мм (в зависимости от модели стенда). Детекторы для проверки легковых автомобилей развивают усилие около 11 кН, грузовых – около 30 кН.
Контроль соединений осуществляется визуально с помощью подсветки, вмонтированной в переносной пульт управления. Управление площадками производится кнопкой, размещенной также на переносном пульте управления.
Тестер может быть монтироваться на осмотровых канавах, эстакадах, платформенных электрогидравлических подъемниках ножничного типа (в двух исполнениях – с заглублением либо установкой на поверхности).