В современных электронных и микропроцессорных системах зажигания широко используются выходные каскады с индивидуальными катушками (рис. 6.10) зажигания для каждой свечи в отдельности. В объединенной блок на катушки могут устанавливаться силовые транзисторы. Это делается с целью разгрузки контроллера от множества выходных каскадов.
Электронная система зажигания обычно комбинируется с системой электронного управления впрыском топлива (система Motronic), устройством контроля детонации двигателя, ABS и т.д., что дает возможность использовать датчики и/или сигналы от других узлов автомобиля в более чем одной системе управления.

Основной принцип работы катушки зажигания заключается в следующем. Когда блок управления повышает напряжение на клемме 1 (рис. 6.11), активируется выходной каскад катушки зажигания. Он называется восходящей стороной сигнала. Выходной каскад активирует ток, проходящий в этот момент через первичную обмотку. Если опять понизить выходное напряжение блока управления, выходной каскад больше не будет активен. Это называется нисходящей стороной сигнала. Значит, подача тока, проходящего через первичную обмотку, будет отключена.

Выходной каскад В этой катушке выходной каскад является ее неотъемлемой частью. При включении зажигания напряжение аккумуляторной батареи подводится к положительному выводу первичной катушки. Выходной каскад внутри катушки зажигания обеспечивает проводимость для электрического тока, соединяя отрицательный вывод первичной обмотки с «массой» через блок управления. Это приводит к намагничиванию сердечника из мягкой стали. Если проводимость через транзистор не обеспечена, цепь первичной обмотки разомкнута, и напряжение на выходной клемме первичной обмотки равно напряжению аккумуляторной батареи. При включении проводимости, по виткам обмотки потечёт ток. Это значит, что напряжение на выходной клемме первичной обмотки станет равным нулю.
Положительный фронт В тот момент, когда блок управления устанавливает высокое напряжение на шине 1, выходной каскад катушки приводится в действие. Данное явление, когда выходной каскад активен, называется положительным (возрастающим) фронтом. Затем выходной каскад включает ток, который проходит по первичной обмотке. Если выходное напряжение блока управления снова падает, выходной каскад не задействуется. Это явление называется отрицательным (спадающим) фронтом. Поскольку выходной каскад не работает, ток на первичную обмотку больше не подается.
Основные преимущества системы зажигания Motronic состоят в следующем:
- индивидуальное статическое распределение высокого напряжения по свечам зажигания;
- катушки зажигания с заземленной вторичной обмоткой;
- все входные датчики (датчик Холла, датчик частоты вращения коленчатого вала, датчик температуры ДВС, датчики дроссельной заслонки, датчик детонации) – это формирователи электрических сигналов из неэлектрических воздействий бесконтактного принципа действия. Аналоговые сигналы от этих датчиков преобразуются в контроллере в цифровые сигналы;
- селективная коррекция угла опережения зажигания по детонации (в каждом цилиндре в отдельности);
- отключение цилиндров ДВС при перебоях в искрообразовании (защита дорогостоящих компонентов двигателя – кислородного датчика и каталитического нейтрализатора от повреждений;
- наличие в контроллере функций самодиагностики и резервирования.
Электронные системы зажигания более точно, чем обычные механические выбирают угол опережения зажигания рис. 6.12.

В механических системах зажигания угол опережения может изменяться только в зависимости от работы вакуумного и центробежного регуляторов, определяющих изменение частоты вращения коленчатого вала и нагрузки, в то же время у электронных, от значительно большего количества факторов (температура двигателя, начало детонации, положение дроссельной заслонки и т. д.). Преимущество электронных систем также заключается в том, что процесс зажигания определяется углом поворота коленчатого вала, а не валика распределителя, чем исключается влияние износов в приводе распределителя, если он применяется.
Исключаются ограничения, накладываемые механическими устройствами регулировки. Число входных параметров теоретически ничем не ограничено, что позволяет расширить диапазон регулирования зажигания.
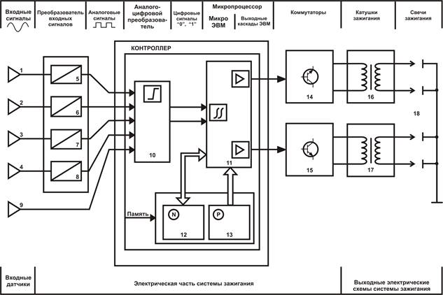
Принцип работы системы. Управление зажиганием двигателя осуществляется с помощью микропроцессора (блока управления), который приспособлен к условиям работы на автомобиле (рис. 6.13). В его память заложены карты углов опережения зажигания, в зависимости от различных режимов работы двигателя, а также программы для их обработки.

1….4 – входные датчики неэлектрических величин (датчик давления и температуры во впускном коллекторе, датчик детонации, датчик температуры двигателя, напряжение аккумуляторной батареи); 5…8 – преобразователи неэлектрических величин в аналоговые электрические сигналы; 9 – датчики крайнего положения дроссельной заслонки; 10 – аналогово-цифровой преобразователь; 11 – микропроцессор; 12 – оперативная память N память запоминающего устройства; 13 – постоянная память Р запоминающего устройства; 14,15 – коммутаторы; 16,17 – двухвыводные катушки зажигания; 18 – свечи зажигания.
В микропроцессорной системе зажигания все функции управления объединены в центральный бортовой компьютер автомобиля и персональный блок управления для системы зажигания может отсутствовать. Функции входных сигналов могут выполнять универсальные датчики, определяющие работу не только системы зажигания, но и других систем, например, системы питания. Сигнал прерывания цепи низкого напряжения при этом подается на электронный коммутатор выходного каскада непосредственно от центрального бортового компьютера, который управляет всеми системами управления автомобилем. Выходные каскады микропроцессорных систем зажигания имеют отдельные каналы для подачи энергии искрообразования, поэтому такое распределение называют статическим. Такая система, в отличие от обычных систем с вращающимся распределителем имеет ряд преимуществ. В системах с вращающимся распределителем происходит неравномерное выгорание контактов в крышке распределителя, а значит и разброс искр по цилиндрам, достигающих 2…3 угловых градусов по повороту коленчатого вала. В микропроцессорных статических системах зажигания разброс искр по цилиндрам составляет 0,3…0,5 угловых градусов. В этих системах применяются электронное переключение каналов (прерывание цепи низкого напряжения) на низкопотенциальном уровне непосредственно в блоке управления и статическое распределение каналов цепи высокого напряжения.
В процессе работы двигателя в блок управления подается следующая информация: нагрузка, детонация, температура, напряжение аккумулятора, частота вращения и положение коленчатого вала, положение дроссельной заслонки.
Информация, подаваемая на преобразователь, поступает от датчиков, которые преобразуют измеряемые величины в электрические сигналы. Преобразователь входных сигналов сначала преобразует аналоговые сигналы датчиков в цифровую форму (т.е. в серию импульсов типа 0-1), поскольку микропроцессор блока управления умеет обрабатывать только числовую информацию.
Некоторые сигналы, такие как частота вращения коленчатого вала, уже поступают в блок управления в виде импульсов, однако большинство параметров, такие как температура, напряжение аккумулятора и пр. имеют постоянную полярность, хотя и меняют со временем свои значения. Такие сигналы называются аналоговыми и должны быть преобразованы перед входом в блок управления в цифровую форму с помощью аналого-цифрового преобразователя (АЦП). На основании данных, поступающих в микропроцессор вычисляется угол опережения зажигания в соответствии с картой углов опережения зажигания, которая хранится в памяти процессора.
Детонация. Детонация является акустическим сигналом неконтролируемой формы сгорания и проявляется в виде частого и резкого стука высокого тона на больших нагрузках и ускорениях.
При нормальном процессе сгорания давление на поршень изменяется плавно (рис. 6.14, кривая 1). Пламя от искры распространяется плавно, постепенно захватывая весь объем камеры сгорания. Скорость движения фронта пламени достигает 50…80 м/с.
Практически весь заряд в камере сгорания должен сгореть прежде, чем откроется выпускной клапан, а от того, как соотносится этот процесс с углом поворота коленчатого вала, зависят мощность, крутящий момент, экономичность двигателя, поле температур и т. д. Поэтому искра между электродами свечи должна появиться несколько раньше, чем поршень достигнет верхней мертвой точки, это называют углом опережением зажигания. Угол опережения зажигания не одинаков для различных режимов работы двигателя и изменяется в широких пределах.

Смесь, воспламенившись от искры, сгорает не мгновенно. Фронт пламени постепенно приближается к дальнему углу камеры сгорания (рис. 6.14, зона 2), и, хотя там еще ничего не горит, давление и температура за счет «поджатия» уже сгоревшей частью заряда становятся выше, что ускоряет ход окислительных реакций. Если топливо не обладает достаточной детонационной стойкостью, в сжатой смеси образуются неустойчивые химические соединения, способные самовоспламениться от малейшего дополнительного «толчка». Но концентрация этих соединений по объему зоны 2 неодинакова: в точке, где они наименее устойчивы, происходит первый локальный взрыв, вокруг которого с огромной скоростью (до 2500 м/с) разбежится ударная волна, скачком поднимающая давление и температуру. Пробегая через другие части заряда, близкие к самовоспламенению, ударная волна легко «поджигает» их, рождая новые волны. За фронтом каждой ударной волны, движется детонационная волна, но процесс сгорания не мгновенен, после прохождения волны смесь какое-то время догорает.

Контроль детонации сводится к управлению, обеспечивающему угол опережения зажигания, очень близкий к предельному, за которым происходит детонация. При этом повышается КПД двигателя, его мощность и экономичность, возможно использование бензина с разным октановым числом.
При детонации в специфическом спектре частот появляется составляющая с необычайно высокой амплитудой (рис. 6.14). Выделяя эту частотную область с помощью полосового фильтра, можно получить сигнал для распознавания детонации. Распознавание детонации производится путем сравнения (вычитания) текущего сигнала при отсутствии детонации, регистрируемого в течение определенного времени после поступления сигнала зажигания. Степень детонации определяется подсчетом числа амплитуд в сигнале датчика, величина которых превышает стандартную величину, характерную для начала детонации. После распознавания детонации в зависимости от ее степени производится уменьшение угла опережения зажигания. Если после этого детонация отсутствует, угол опережения зажигания постепенно увеличивается до близкого к детонационному пределу. Наиболее оптимальным углом опережения зажигания считается угол «преддетонационного сгорания», когда сгорание начинается на границе появления детонации.
Детонация обнаруживается с помощью датчиков, основой которых чаще всего служит пьезоэлектрический преобразователь. Такой датчик представляет собой пьезокерамический элемент 7, закрепленный с помощью болта 6 на корпусе двигателя (рис. 6.16).

В блоке двигателя от детонации возникают волны вибрации. Под действием резонанса сила давления увеличивается, и вибрация возрастает. Сила вибрации воздействует на круглый пьезоэлектрический элемент, вырабатывающий электрический заряд. Напряжение, возникающее между верхней и нижней поверхностью керамического элемента датчика, снимается контактными шайбами 3 и затем обрабатывается блоком управления двигателем.
В автомобилях Mazda с бензиновыми двигателями Skyactiv-G и степенью сжатия 14 для более точного определения преддетанационного сгорания применяют ионные датчики, встроенные в катушки зажигания. Ионные датчики более чувствительны и позволяют лучше контролировать момент появления детонации в каждом цилиндре чем Ддтчик детонации на пьезокристалле. Новый датчик отслеживает детонацию по колебаниям ионного тока в зазоре между электродами свечи после воспламенения смеси. При ее сгорании образуются ионы, которые делают среду токопроводящей. Датчик подает напряжение на центральный электрод свечи и замеряет ток, проходящий между ним и заземленным боковым электродом.