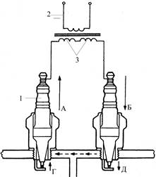
Одной из разновидностей системы зажигания с индивидуальными катушками является система с одной катушкой зажигания на 2 цилиндра, которая применяется для двигателей с четным числом цилиндров (рис. 6.17).

В этой системе каждый раз, когда вторичная обмотка катушки зажигания выдает высокое напряжение, искра на свечи зажигания подается сразу на две свечи. Разряд одной свечи происходит в цилиндре, где заканчивается такт сжатия, второй свечи – в цилиндре, где заканчивается такт выпуска. При этом одна искра является высоковольтной (12…20 кВ) и воспламеняет топливовоздушную смесь, а другая низковольтной (5…7 кВ) – холостой. В конце такта сжатия незадолго до появления рабочей искры температура топливовоздушного заряда еще недостаточно высокая (200° С), а давление наоборот – значительное (10…12 атм). При этих условиях пробивное напряжение становится максимальным. В конце такта выпуска, когда происходит разряд другой свечи, пробивное напряжение значительно уменьшается вследствие высокой температуры отработавших газов (800…1000° С) и низкого давления (2…3) атм.
Недостатком системы зажигания с двухвыводными катушками является то, что в одной свече электроны переходят от центрального электрода к массовому (боковому), а во второй свече в обратном направлении. Так как центральный электрод заострен и всегда значительно горячее бокового, истечение электронов с его острия при искрообразовании требует затраты меньшего количества энергии, чем при истечении с бокового электрода (на центральном электроде начинает проявляться термоэлектронная эмиссия). Это приводит к тому, что пробивное напряжение на свече, работающей в прямом направлении, становится несколько ниже (на 1,5…2,0 кВ), чем на свече с обратным включением полярности, т.е имеется небольшой разброс пробивного напряжения по цилиндрам. Для устранения разброса напряжения по цилиндрам и поддержания нормального искрообразования двухвыводная катушка должна иметь достаточно высокое напряжение вторичной обмотки порядка 35…40 кВ.
Если двигатель имеет четыре цилиндра, потребуются две двухвыводные катушки зажигания и два раздельных канала высокого напряжения.
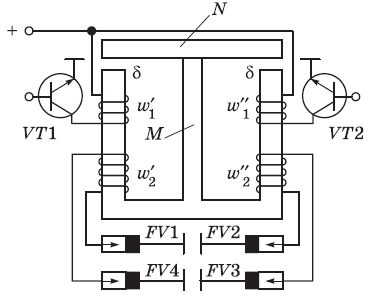
В настоящее время разработан ряд автомобильных систем зажигания, в которых две двухвыводные катушки зажигания собираются на общем Ш-образном магнитопроводе и тем самым образуется одна 4-х выводная катушка зажигания (рис. 6.18). Такая катушка имеет две первичные и две вторичные обмотки и управляется от двухканального коммутатора. 4-х выводная катушка зажигания может иметь и одну вторичную двухвыводную обмотку при двух первичных. Вторичная обмотка такой катушки дооборудована четырьмя высоковольтными диодами – по два на каждый высоковольтный провод.

VT1,VT2 – транзисторы двухканального коммутатора; W1,W2 – первичная и вторичная обмотки; FV1-FV4 – свечи зажигания; М – Ш-образный магнитопровод; N – соединительное ярмо магнитопровода; δ – воздушный зазор.
В такой конструкции общим элементом является средний стержень магнитопровода, а взаимное влияние двух катушек исключается с помощью двух воздушных зазоров δ. Величина этих зазоров может достигать 1…2 мм, чем увеличивается магнитное сопротивление в магнитопроводе и достигается развязка каналов.
Система зажигания с одной катушкой на два цилиндра используется на некоторых моделях двигателей вследствие ее меньшей стоимости. Вследствие двойной искры на свечах зажигания необходимость их замены сокращается примерно в полтора раза.