Классическим примером двухвальной коробки передач является коробка передач с дифференциалом ВАЗ 2108/2109/21099 или Volkswagen 02Т (рис.11.41).

Приведенная выше коробка имеет пять передач переднего хода и одну – заднего, с синхронизаторами на всех передачах переднего хода. Она конструктивно объединена с дифференциалом и главной передачей.
Корпус коробки передач состоит из трех частей: картера сцепления 25, картера коробки передач 7 и задней крышки картера коробки передач 1. В гнезде картера находится специальный магнит, задерживающий металлические продукты изнашивания.
Первичный вал 5 выполнен как блок ведущих шестерен, которые находятся в постоянном зацеплении с ведомыми шестернями всех передач переднего хода. Вторичный вал 40 – полый (для подачи масла под ведомые шестерни), со съемной ведущей шестерней главной передачи 17. На нем расположены ведомые шестерни 31, 33, 34, 36, 38 и синхронизаторы 32, 35, 39 передач переднего хода. Передние подшипники валов 18 и 12 – роликовые, задние 3 и 37 – шариковые. Под передним подшипником вторичного вала 18 расположен маслосборник 19, направляющий поток масла внутрь вала.
При включении первой передачи скользящая муфта синхронизатора 32, перемещаясь в сторону шестерни 31, соединяет венец синхронизатора шестерни первой передачи со ступицей синхронизатора, жестко связанной с вторичным валом. Крутящий момент от шестерни 31 передается через муфту на ступицу синхронизатора и от нее на вторичный вал. Через шестерни 17 и 27 крутящий момент передается на дифференциал. Коробка дифференциала, вращаясь вместе с осью сателлитов, через зубья сателлитов и полуосевых шестерен распределяет крутящий момент по приводам передних колес. При включении второй передачи муфта синхронизатора 33 соединяет ведомую шестерню 34 передачи со ступицей синхронизатора, и крутящий момент от шестерни 34 через скользящую муфту 32 передается на ступицу синхронизатора и на вторичный вал.
Третья и четвертая передачи включаются другим синхронизатором. При включении третьей передачи синхронизатор 35 соединяет шестерню 34 со ступицей синхронизатора, а при включении четвертой передачи шестерню 36 со ступицей того же синхронизатора. Крутящий момент через соединенные шестерню и ступицу передается на вторичный вал. Аналогично синхронизатор 39 пятой передачи соединяет шестерню 38 со ступицей синхронизатора, а через нее с вторичным валом. Заднюю передачу включают при полностью остановленном автомобиле. При выборе заднего хода рычаг переключения передач перемещают влево до упора с увеличенным сопротивлением и вперед. При этом промежуточная шестерня 10 заднего хода соединяет ведущую шестерню заднего хода 9 первичного вала с зубчатым венцом скользящей муфты 32 синхронизатора первой и второй передач. За счет промежуточной шестерни передаваемый крутящий момент изменяет свое направление. Одновременно с включением задней передачи включается свет заднего хода, так как вилка нажимает на шток включателя заднего хода, и цепь лампы соединяется с источником тока. Смазка деталей коробки передач осуществляется разбрызгиванием масла зубчатыми венцами шестерен.
Шестиступенчатая трехвальная механическая коробка передач. Тенденция к повышению мощности двигателей требуют разработки новых решений трансмиссий автомобилей. Одним из видов таких решений является переход на шестиступенчатые коробки передач, что позволяет снизить разрывы между передаточными числами соседних передач. Рабочие частоты вращения коленчатого вала двигателя при этом снижаются и как следствие уменьшается расход топлива, повышаются также комфорт и разгонная динамика автомобиля.
Из новых разработок механических передач в качестве примера приводится шестиступенчатая трехвальная механическая коробка передач автомобиля Touareg (рис. 11.42). Эта коробка отличается плотным рядом передаточных отношений, обеспечивающим существенное повышение крутящего момента при движении по пересеченной местности и спортивный характер движения по дорогам с твердым покрытием.
Передача мощности на ведущий вал главной передачи осуществляется через три вала с шестернями: первичный, вторичный и промежуточный.
Ведомый диск сцепления установлен непосредственно на шлицах первичного вала. Передачи с 1-й по 4-ую являются понижающими, 5-я прямая и 6-я – повышающая.

Первичный вал вращается в радиальном шарикоподшипнике, установленном в картере сцепления. Между первичным и вторичным валами установлен подвижный в осевом направлении роликоподшипник с цилиндрическими роликами. Он расположен в расточке первичного вала. Ведущая шестерня постоянной передачи 3 выполнена заодно целое с первичным валом.
Вторичный вал вращается в радиальном шарикоподшипнике, установленном неподвижно в картере задней части коробки передач, и в подвижном в осевом направлении роликоподшипнике, расположенном в первичном вале. Заодно целое с вторичным валом выполнены шестерни третьей 6 и четвертой передач 7. Включаемые шестерни первой 9, второй 8, шестой передачи 5 и передачи заднего хода 11 установлены на нем на игольчатые подшипники. Их называют также свободно вращающимися шестернями. Эти шестерни находятся в постоянном зацеплении с соответствующими им шестернями, которые вращаются вместе с валами. При включении той или иной передачи они соединяются с вторичным валом посредством соответствующих муфт синхронизаторов и могут передавать на него крутящий момент.
Ступицы муфт синхронизаторов первой и второй передач, пятой и шестой передач, а также передачи заднего хода установлены неподвижно на шлицах вторичного вала.
Промежуточный вал установлен на одном неподвижном и одном подвижном в осевом направлении подшипниках. Двухрядный шарикоподшипник установлен в картере сцепления, а роликоподшипник с цилиндрическими роликами – в картере задней части коробки передач. Шестерни первой 15 и второй передач 16 выполнены заодно целое с вторичным валом.
Шестерни третьей 18 и четвертой передач 17 установлены на промежуточном вале на игольчатых подшипниках. Шестерня шестой передачи 19, а также шестерня постоянной передачи 20 закреплены на шлицах промежуточного вала. Эти шестерни вращаются вместе с промежуточным валом.
Ступица муфты синхронизатора третьей и четвертой передач установлена на промежуточном вале также неподвижно.
Для включения передачи крутящего момента в коробке передач применяются синхронизированные муфты переключения передач (рис. 11.43).

— ступицы 6, имеющей внутренние шлицы, которые соединяют ее неподвижно с вторичным валом, и наружные шлицы, по которым может передвигаться наружное кольцо муфты с внутренними шлицами;
— наружного кольца 3 муфты, имеющего внутренние шлицы, соответствующие наружным шлицам ступицы и шлицевым венцам свободно вращающихся шестерен соответствующих передач, и кольцевую канавку для зацепления с вилкой переключения передач;
— конических блокирующих колец 2, синхронизирующих (уравнивающих) угловую скорость вращения вторичного и промежуточных валов и свободно вращающейся шестерни выбираемой передачи;
— сухарей 4 подпружиненные листовой пружиной 5.
При переключении передачи сцепление отжато, т.е. коленчатый вал двигателя и первичный вал КПП разъединены, следовательно, промежуточный вал с зафиксированными на нем шестернями, а также соответствующие им шестерни вторичного вала вращаются свободно, независимо от скорости вращения коленчатого вала двигателя и колес автомобиля.
Вилка штока переключения передач, находясь в постоянном зацеплении с наружным кольцом 3 синхронизированной муфты, передвигаясь в направлении шестерни соответствующей передачи через наружное кольцо, двигает внутренними шлицами сухарь 4, который прижимает коническое блокирующее кольцо 2 к конической поверхности соответствующего зубчатого колеса, создавая повышенное трение в зоне контакта, что приводит к выравниванию угловых скоростей зубчатого колеса и синхронизированной муфты. Наружное кольцо муфты заходит на шлицевой венец 1 шестерни. Таким образом, валы КПП оказываются соединены и вращаются с частотой, пропорциональной передаточному отношению выбранной передачи.
Особое внимание уделяется компактности коробок передач и их способности вписаться в отводимое для них пространство. Примером удачной в данном отношении конструкции является коробка передач модели 0A5 Фольксваген (рис.11.44). Эта коробка отличается малой длиной, благодаря чему она легко вписывается в затесненное подкапотное пространство автомобилей с поперечным размещением силовых агрегатов в передней части кузова. Существенное снижение длины коробки передач достигается в результате применения четырехвальной конструкции, позволяющей разместить шестерни в ограниченном по длине пространстве.

На первичном валу на игольчатых подшипниках установлены соединяемые с ним с помощью синхронизатора шестерни 5-й и 6-й передач. На этом же валу нарезаны ведущая шестерня 1-й передачи и шестерня второй и третьей передачи, а также напрессована ведущая шестерня 4-й передачи.
На первом вторичном валу на игольчатых подшипниках установлены соединяемые с ним с помощью синхронизатора шестерни 1-й и 2-й передач, нарезана ведущая шестерня главной передачи и соединенная сваркой с шестерней 1-й передачи шестерня заднего хода.
На втором вторичном валу на игольчатых подшипниках установлены соединяемые с ним с помощью синхронизатора шестерни 3-й и 4-й передач. Ведомые шестерни 5-й и 6-й передач соединены с валом посредством горячей прессовой посадки, а ведущая шестерня главной передачи непосредственно нарезана на валу. Включение 3-й и 4-й передач осуществляется посредством 3-х конусного синхронизатора, ступица которого неподвижно установлена на шлицах.
На третьем вторичном валу на игольчатых подшипниках установлена соединяемая с ним с помощью синхронизатора включения заднего хода шестерня заднего хода и нарезана шестерня главной передачи.
Все передачи с первой по четвертую включаются посредством 3-х конусных синхронизаторов. Пятая и шестая передачи включаются посредством обычного одноконусного синхронизатора. Передача заднего хода включается посредством инерционного синхронизатора с наружным кольцом.
Передача крутящего момента с первичного вала на главную передачу осуществляется через один из трех вторичных валов, концевые шестерни которых постоянно находятся в зацеплении с ведомой шестерней главной передачи.
При включенной передаче заднего хода крутящий момент передается через шестерню 1-й передачи, вращающуюся на первом вторичном валу. К шестерне 1-й передачи приварена шестерня передачи заднего хода, через которую крутящий момент передается на третий вторичный вал и далее на главную передачу.
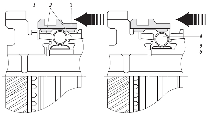
Датчики и выключатели коробок передач. Датчик скорости автомобиля (рис. 11.45), установленный в коробке передач, служит для определения скорости движения автомобиля. Датчик представляет собой электросхему Холла, на которую передаются сигналы от импульсного ротора на выходном валу коробки передач. Электрические импульсы от электросхемы передаются блоку управления в приборном щитке. Там они преобразуются в показания скорости и пройденного пути.

Датчик вставляется снаружи в соответствующее отверстие картера коробки передач.
Выключатель фонарей заднего хода (рис. 11.46) вворачивается в картер коробки передач. При включении передачи заднего хода посредством выступа на планке включения заднего хода происходит замыкание цепи контрольной лампочки и фонарям заднего хода.

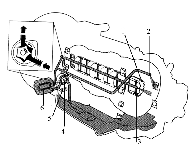
Система смазки коробки передач. Масло в механические коробки передач заправляется на весь срок эксплуатации или согласно требований сервисной книжки через отверстие для проверки уровня масла (рис. 11.47), которое располагается в нижней части торцевой крышки коробки передач или через пробку для удаления воздуха при ее наличии. Нормальный уровень масла должен располагаться на уровне резьбы контрольного отверстия.
Пробка для удаления воздуха располагается в верхней части картера коробки передач. Для сбора металлической стружки в углублении в самой нижней точке картера коробки передач устанавливается магнит для сбора металлической стружки.

В некоторых КП грузовых автомобилей, например, Scania GRS905, смазка осуществляется комбинированным способом разбрызгивания и принудительной подачи смазки (рис. 11.48).

Разбрызгивание смазки производится шестерней промежуточного вала, когда она опускается ниже уровня масла в картере коробки передач и служит в качестве крыльчатки.
Принудительная смазка осуществляется с помощью шестеренчатого масляного насоса, маслопроводов и просверленных отверстий в валах. Система смазки также оборудована масляным фильтром клапаном.
Масляный насос шестеренчатого типа с внутренним зацеплением закреплен внутри картера сцепления и приводится в действие промежуточным валом. Насос всасывает масло через фильтр, расположенный в нижней части картера коробки передач. Из масляного насоса масло подается через фильтр в картер сцепления и далее распределяется по различным масляным магистралям.
В систему включен дополнительный перепускной клапан, называемый «дренажным клапаном», его функция заключается в защите масляного насоса от избыточного противодавления, которое возникает, например, когда масло в коробке передач очень вязкое (при низких температурах). Он производит слив избыточного масла непосредственно назад в коробку передач.
Из масляного фильтра масло принудительно подается по каналам первичного и вторичного валов к планетарной передаче, так и по внутреннему маслопроводу к планетарной передаче.
Вторичный вал имеет просверленные отверстия, которые, через солнечную шестерню, обеспечивают маслом различные подшипники и шестерни планетарной передачи. Внутренний маслопровод через распылитель обеспечивает маслом первичный вал и 3-ю передачу, подшипник вторичного вала.
По внутренним маслопроводам осуществляется смазка подшипников первичного вала, а также: подшипников вторичного вала с помощью распылительной насадки.
Распылитель 2 предназначен для смазки разбрызгиванием подшипника выходного вала.
Отдельные коробки передач могут быть оборудованы охладителями масла.
Коробка передач обычно оборудуется охладителем масла, если температура превышает 110°С при мощности двигателя 480 л.с. и выше.
Механические коробки передач с электронным управлением и одним сцеплением (DS). Описание коробок этого типа приводится на примере автомобиля Lupo 3L. Конструкция механической коробки передач с электронным управлением базируется на конструкции 5-ступенчатой коробки передач для автомобилей VW-Polo и Lupo (рис. 11.49).

В этой коробке передач применены определенные технологии для снижения массы коробки, в частности: ведомая шестерня главной передачи выполнена с проемами; использованы полые первичный и вторичный валы; шестерня пятой передачи выполнена в виде колеса со спицами; уменьшен объема масла на 0,2 л при сохранении его уровня смещением заливного отверстия.
Механическая коробка передач с электронным управлением содержит три главные группы компонентов: электронные, гидравлические и механическая часть (рис. 11.50).
К электронным компонентам относятся:
– рычаг селектора 10 коробки передач с электронным переключателем;
– электронное управление дроссельной заслонкой от педали акселератора;
– электронный блок управления коробкой передач 8,
– электромагнитные клапаны;
– потенциометры 6 и микровыключатели;
В гидравлическую систему входят:
– гидравлический блок с гидронасосом 1 и гидроаккумулятором 2;
– рабочий цилиндр привода сцепления 3;
– гидропереключатель передач 7;
– гидравлические клапаны.
Механическая часть состоит из:
– механической коробки передач 4;
– штока выбора и переключения передач с рычажным механизмом его привода 5.

Работа коробки передач с электронным управлением зависит от положения рычага селектора, определяемого посредством одного потенциометра и четырех микровыключателей, сигналы с которых поступают в электронный блок управления. Процесс переключения передач контролируется блоком управления. Переключение передач и включение-выключение сцепления производится посредством электромагнитных клапанов и гидравлической системы.
Система управления механической коробки передач показана на рис. 11.51.

Подача рабочей жидкости под давлением производится от отдельного гидронасоса 2. В системе предусмотрен гидроаккумулятор 3, в котором содержится под давлением резервное количество рабочей жидкости. Он необходим для автоматического выполнения процессов переключения передач.
Электронный блок управления получает информацию о давлении рабочей жидкости в системе от установленного в ней датчика давления. Гидропереключатель передач перемещает шток выбора и включения передач 10 по командам электронного блока управления.
Рабочая жидкость подается в гидравлические цилиндры гидропереключателя через электромагнитные дросселирующие клапаны 4 и 14. Поршни цилиндров 9 оказывают давление на коромысло 5, на оси которого закреплен рычаг выбора передач 6, связанный через штангу 8 с рычагом на штоке выбора и включения передач 10. Этот механизм вызывает поворот штока вокруг его оси, при этом происходит выбор передач (рис. 1.41, а).
При подаче команды на включение передачи рабочая жидкость подается под давлением через электромагнитные клапаны в другую пару цилиндров 13. Поршни этих цилиндров действуют на коромысло 12, на оси которого закреплен рычаг включения передач 11. При этом шток выбора и включения передач 10 перемещается вперед или назад (рис. 1.41, б).
В процессе переключения передач по команде с блока управления включается 21 электромагнитный клапан управления сцеплением. Этот клапан позволяет выключать или включать сцепление. На торце рабочего цилиндра привода сцепления установлен потенциометр 22, посредством которого в блок управления поступает информация о положении поршня 18 рабочего цилиндра 20 и, следовательно, о состоянии муфты сцепления. Чтобы сцепление было выключено, клапан управления должен переместиться в положение, при котором рабочая жидкость поступает из гидроаккумулятора в рабочий цилиндр его привода. Под давлением рабочей жидкости поршень рабочего цилиндра перемещается и увлекает за собой посредством троса рычаг выключения сцепления, в результате чего сцепление выключается. При этом вырабатываемый потенциометром сигнал положения поршня рабочего цилиндра поступает на вход электронного блока управления.
Переключение передач и работа сцепления может осуществляться и с помощью электродвигателей (Volkswagen, ВАЗ).
Переключение передач в такой коробке передач осуществляется приводом сцепления с электродвигателем привода сцепления 7 и переключателем передач с двумя электродвигателями переключателя передач 2 и 4 (рис. 11.52). Они расположены снаружи на картере коробки передач. Как привод сцепления, так и переключатель передач управляются электрическим блоком управления МКП с электронным управлением.

Привод сцепления состоит из толкателя 7 (рис. 11.53) с гофрированным пыльником и исполнительного электродвигателя. Толкатель с гофрированным пыльником образует переднюю часть привода сцепления. В задней части установлен электродвигатель привода сцепления. Компенсационная витая пружина 5 между крышкой и основным элементом амортизирует соударения сегмента зубчатого колеса 3 с упорами на стенках корпуса и таким образом снижает механическое изнашивание.

Если на электродвигатель подаётся питание, и он поворачивает сектор 3 в сторону верхнего упора (рис., 11.53, а). Компенсационная пружина 5 поддерживает электродвигатель в процессе этого перемещения, чтобы снизить энергопотребление двигателя. Сектор 3 прижимает толкатель 7 к рычагу выключения сцепления. Через выжимной подшипник это усилие передаётся на диафрагменную пружину нажимного диска, и сцепление размыкается.
В случае, когда на электродвигатель снова подаётся питание (рис. 11.53, б), сектор поворачивается назад в исходное положение, в сторону нижнего упора. Электродвигатель работает, преодолевая усилие компенсационной пружины. При этом работу электродвигателя поддерживает диафрагменная пружина нажимного диска. С момента, когда точка поворота сегмента зубчатого колеса и ось пружины находятся на одной линии, компенсационная пружина начинает поддерживать работу электродвигателя. По мере поворота сектора толкатель втягивается в алюминиевый корпус привода. Сцепление включается.
Для переключения передач применяются два электродвигаетеля с приводом: электродвигатель выбора и передачи электродвигатель переключения передач (рис. 11.54)

При включении электродвигателя выбора передачи 1 (рис. 11.54, а), передаточный вал для двигателя выбора 2 передаёт крутящий момент от электродвигателя выбора передачи на участок штока выбора передач, выполненный в виде зубчатой рейки 3. Тем самым вращательное движение двигателя преобразуется в перемещение штока выбора передач вверх и вниз. Благодаря этому перемещению выбирается паз передачи.
При включении электродвигателя переключения передачи 9 (рис. 11.54, б) передаточный вал для двигателя переключения передаёт крутящий момент от двигателя переключения передачи на участок штока выбора передач, выполненный в виде сектора 7. Тем самым вращательное движение двигателя преобразуется во вращательное движение штока выбора передач. Благодаря этому перемещению включается необходимая передача в пределах паза.
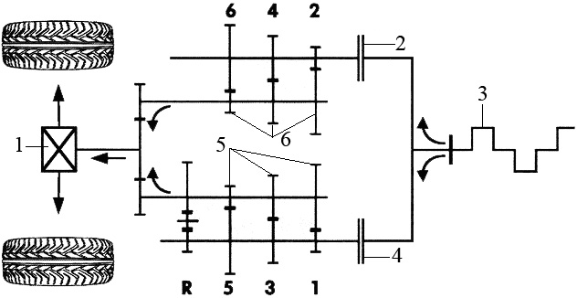
Механические коробки передач с электронным управлением с двойным сцеплением. В коробке передач с двойным сцеплением условно объединены две коробки, причем каждая со своим сцеплением. Одна «коробка» отвечает за включение нечетных передач (первой, третьей и пятой), другая – четных: второй, четвертой и шестой, что позволяет включить две передачи одновременно. Такая коробка передач называется преселективной.Коробка передач DSG построена на базе шестиступенчатой трехвальной коробки. На верхнем втором вторичный вале 9 установлены шестерни задней, V и VI передач (рис. 11.55), на первом – шестерни передач с I по IV. В этой коробке имеется два первичных вала. Каждый вал имеет свой пакет сцеплений. Пакет сцеплений представляет собой два пакета фрикционов, погруженных в масляную ванну. Функция отвода тепла от пар трения возложена на масло, чью циркуляцию обеспечивает масляный насос, аналогичный тем, которые устанавливаются на гидромеханических автоматических коробках передач. Охлаждение масла и его фильтрация от продуктов трения происходит в масляном фильтре и охладителе масла. Переключение передач осуществляется посредством гидроцилиндров, воздействующих на штоки. При этом теряется часть энергии, однако не больше той, которую теряет гидротрансформатор в автоматической коробке передач до блокировки. В качестве управляющего звена в конструкцию введена специальная система управления. По сути DSG не что иное, как замена традиционной гидромеханической коробки передач, в состав которой входят звено, обеспечивающее бесступенчатое изменение крутящего момента (гидротрансформатор), и набор планетарных рядов.

На наружном первичном валу находятся шестерни четных передач — II, IV и VI. Внутри наружного первичного вала проходит внутренний первичный вал, на котором находятся шестерни нечетных передач I, III, V и заднего хода.
На рис. 11.56 показан общий вид коробки передач DSG.

Рис.11.56. Коробка передач DSG с угловым редуктором:1 – система управления коробкой передач главная передача; 2 – вилка переключения передач; 3 – сдвоенное сцепление; 4 – угловой редуктор; 5 – приводной вал с фланцем карданного вала; 6 – дифференциал; 7 – главная передача: 8 – масляный насос
Коробка передач с двумя сцеплениями обеспечивает переключение передач без разрыва потока мощности. Достигается это следующим образом. В коробке DSG одновременно включены две передачи. В обычных конструкциях такое положение ведет к неминуемой аварийной поломке, но в коробке передач DSG этого не происходит. Работает только то зубчатое зацепление, ведущий вал которого соединен с включенным в данный момент сцеплением. Диски же другого сцепления разомкнуты и поэтому вторая пара шестерен не работает. При достижении необходимой частоты вращения коленчатого вала, электронный блок управления определяет необходимый момент переключения, при этом два гидропривода одновременно отпускают первое сцепление и замыкают второе. Работавшее до этого сцепление выключается и включается второе сцепление. Поток мощности при этом практически без разрыва передается дальше по кинематической цепочке.
Теперь активна уже вторая передача и коробка заранее вводит в зацепление шестерни следующей, третьей передачи. Как только настанет следующий необходимый момент переключения, электронный блок отдаст необходимые команды – и коробка, синхронно манипулируя двумя сцеплениями, плавно передает крутящий момент от второй к третьей и т.д. – до шестой. Причем одновременно с шестой передачи коробка сразу может включить и пятую передачу — на тот случай, если частота вращения коленчатого вала двигателя упадет и понадобится больше тяги.
Схема внизу (рис. 11.57) упрощенно отображает механическиесвязи в коробке DSG.

Крутящий момент с коленчатого вала двигателя передается на двухмассовый маховик. Далее передача крутящего момента производится через разъемное шлицевое соединение маховика с входной ступицей коробки передач. Входная ступица жестко соединена с ведущим диском сдвоенного сцепления.
Ведущий диск сдвоенного сцепления соединен посредством корпуса многодисковой муфты 2 с главной ступицей сцепления. С этой же ступицей соединен корпус муфты 4.
Крутящий момент подводится к каждой из муфт через ее корпус. Если муфта замкнута, крутящий момент передается на ее ступицу и далее на соединенный с ней первичный вал.
Многодисковые муфты (рис. 11.58) передают крутящий момент только за счет сил трения между дисками. Многодисковая муфта 9 образует внешнюю часть блока муфт сцепления. Она служит для передачи крутящего момента на первичный вал 1, обслуживающий первую, третью и пятую передачи, а также передачу заднего хода.

Замыкание муфты 9 нечетных передач производится под давлением масла, подводимого в ее гидроцилиндр 4. Перемещающийся под давлением масла поршень 5 сжимает пакет дисков муфты 9. В результате этого крутящий момент передается на диски, вращающиеся вместе с ее ступицей и соединенным с ней внутренним первичным валом 1. При размыкании муфты поршень 5 отжимается диафрагменной пружиной 13 в исходное положение.
Многодисковая муфта включения четных передач 12 образует внутреннюю часть блока муфт сцепления. Она служит для передачи крутящего момента на наружный первичный вал 2, обслуживающий вторую, четвертую и шестую передачи. Замыкание муфты 12 производится под давлением масла, подводимого в ее гидроцилиндр 6. При этом перемещающийся под давлением масла поршень 3 сжимает пакет дисков муфты 12, обеспечивая передачу крутящего момента на наружный первичный вал 2. При размыкании муфты поршень 3 отжимается в исходное положение винтовыми пружинами 10.
Переключение передач производится посредством четырех вилок и синхронизаторов такого же типа, как у обычных механических коробок передач (рис. 11.59).

Каждая из вилок используется для включения двух передач. Однако, в коробке передач DSG используется гидравлический привод вилок включения передач (рис. 11.60), а не привод посредством тяг и рычагов, применяемый обычно у механических коробок передач. Каждая вилка переключения снабжена отдельным датчиком, регистрирующим точное положение и ход вилки переключения.
Штоки вилок включения передач перемещаются в гидроцилиндрах на шариках. Процесс включения передачи начинается с команды блока управления на подачу масла, например, в левый гидроцилиндр привода вилки. Так как давление масла в правом гидроцилиндре отсутствует, шток вместе с вилкой перемещается вправо, увлекая за собой скользящую муфту синхронизатора. В результате производится включение передачи. После включения передачи находящийся под давлением гидроцилиндр переключается на слив. Муфта синхронизатора удерживается после этого за счет скосов на зубьях венца включенной шестерни и фиксатора, действующего на шток вилки. В исходном нейтральном положении вилка удерживается фиксатором, установленном в картере коробки передач.

Каждая вилка оснащена постоянным магнитом. Этот магнит является задающим элементом датчика перемещения, по сигналу которого система управления определяет точное положение вилок включения передач.
Для охлаждения дисков сцепления производится циркуляция масла под небольшим давлением (рис. 11.61).

Если температура охлаждающего масла на выходе становится выше 160 °C, то это означает, что достигнута критическая температура сцепления. Такая температура может возникнуть при трогании на очень крутом подъёме либо, если автомобиль удерживается от скатывания на склоне за счёт дозированного нажатия на педаль акселератора (без использования рабочей тормозной системы).
В качестве защитной функции в подобном случае используется пульсирующее управление, что ощущается в виде сильных рывков автомобиля (предупредительные рывки). Одновременно на комбинации приборов мигает индикатор положения селектора. Цель «предупредительных рывков» вынудить водителя прекратить движения и предотвратить дальнейший рост температуры сцепления. Нормальная реакция водителя на рывки – снятие ноги с педали акселератора. Если водитель проигнорирует предупредительные рывки и увеличит нажатие на педаль акселератора, то, начиная с температуры примерно 170 °C крутящий момент двигателя и момент, передаваемый сцеплением, снижаются до такой степени, что двигатель работает лишь повышенной частоте вращения коленчатого вала холостого хода, а автомобиль не двигается. Это принуждает водителя снять ногу с педали акселератора. Охлаждение сцепления при этом работает с максимальной скоростью и по истечении короткого времени сцепление вновь готово к работе. При повторном трогании с места крутящий момент двигателя передаётся полностью и можно продолжать движение
Применение коробки передач DSG дает 0,2-секундный выигрыш в разгоне до 100 км/ч по сравнению с обычной шестиступенчатой КПП.
После внедрения описанной 6-ступенчатой коробки передач S-tronic в моделях Audi A3и Audi TT, в Audi Q5 впервые устанавливается 7-ступенчатая коробка передач с двойной фрикционной муфтой в комбинации с приводом quattro для продольного расположения силового агрегата. Разрез такой коробки показан на рис. 11.62.
Наличие 7-ми передач позволяет реализовать широкий диапазон передаточных чисел. Это позволяет обеспечить интенсивную динамику разгона и одновременно иметь 7-ю повышающую передачу, что позволяет получить существенную экономию топлива.

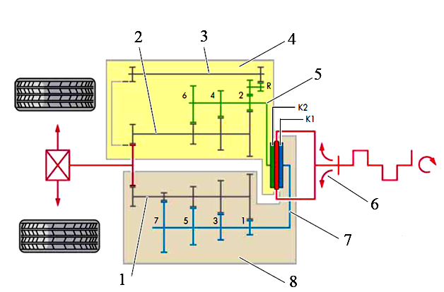
Крутящий момент передаётся через ведущий диск 1 на двухмассовый маховик 2. Далее крутящий момент передаётся на фрикционные муфты 3 или 4 с электрогидравлическим приводом, который по выбору включает чётные или нечётные передачи. Таким образом, КП оказывается разделенной на две части.
Нечётные передачи (1, 3, 5, 7) включаются через первичный вал 1 (внутренний вал) посредством муфты K1. Чётные передачи (2, 4, 6) и передача заднего хода включаются через первичный вал 2 (полый вал) посредством муфты K2. Привод осуществляется через общий вторичный вал, от которого крутящий момент передаётся прямо на межосевой дифференциал. Здесь крутящий момент разделяется, и около 60% направляется на фланец привода задней оси, а 40% через цилиндрическую шестерню и боковой вал направляется на переднюю главную передачу.
Конструкция двойной фрикционной муфты такова, что муфта K1 расположена снаружи и поэтому имеет больший диаметр. Такая конструкция отвечает требованиям, которые предъявляются к муфте K1, работающей при трогании с места (на 1-ой передаче)
При трогании с места селектор устанавливают в положение D, при этом начинается движение на 1-ой передаче. Начиная с определённой скорости, примерно с 15 км/ч, часть КП 2 включает 2-ю передачу (до этого момента была включена передача заднего хода). Как только достигнут момент переключения с 1-ой передачи на 2-ю, происходит быстрое переключение за счёт быстрого размыкания муфты K1 и одновременного быстрого замыкания муфты K2 без разрыва потока мощности. Для того чтобы повысить комфортность процесса переключения и предотвратить излишний износ муфт, во время переключения передач (когда обе муфты частично замкнуты) уменьшается крутящий момент двигателя. Процесс переключения в целом происходит за несколько сотых долей секунды. В части КП 1 уже включена 3-я передача (заранее). При последующих переключениях от 2-3 до 6-7 описанный выше процесс повторяется попеременно в разных частях КП.
Для достижения сверхбыстрого переключения передач все блокирующие кольца синхронизаторов имеют углеродное покрытие. Передачи с первой по третью и передача заднего хода в связи с высокими нагрузками имеют синхронизаторы с тремя парами трения. Для передач с четвёртой по седьмую достаточно синхронизаторов с одной парой трения.
Семиступенчатая DSG имеет две отдельные системы смазки. К первой системе смазки относятся двойная фрикционная муфта, блок Mechatronik и масляный насос. Эти узлы смазываются маслом ATF. Это масло обеспечивает высокую скорость работы механизма переключения передач и управления фрикционными муфтами даже при низких температурах, а также смазывает и охлаждает детали двойной фрикционной муфты. Ко второй системе смазки относятся механическая часть коробки передач, раздаточная коробка (межосевой дифференциал) и передняя главная передача. Смазка осуществляется гипоидным трансмиссионным маслом со специальными присадками для межосевого дифференциала.
Охлаждение масла ATF осуществляется посредством встроенного в систему охлаждения двигателя теплообменника (радиатор ATF). Перед радиатором ATF в напорной магистрали находится фильтр, который вместе с приёмным фильтром обеспечивает тщательную очистку масла ATF. Оба фильтра рассчитаны на весь срок службы коробки передач и не подлежат замене.
Поскольку при выключенном двигателе силовое замыкание между колёсами и двигателем отсутствует (обе фрикционные муфты разомкнуты), для автоматической коробки DSG, как и для всех АКП, требуется механизм блокировки трансмиссии на стоянке (рис. 11.63). Шестерня блокировки 5 трансмиссии соединена со вторичным валом. Привод храповика 6 осуществляется механическим способом с помощью троса от рычага переключения (селектора АКП). Кроме того, с помощью штока выбора передач и рычага механизма блокировки трансмиссии на стоянке включается датчик включенной передачи 4 (датчик положения селектора). Для этого на рычаге привода механизма блокировки трансмиссии на стоянке находится постоянный магнит, поле которого воздействует на датчик. По поступающим от датчика включенной передачи сигналам блок управления коробки передач определяет положение селектора АКП: P, R, N, D и S. Механизм блокировки трансмиссии на стоянке включается при установке селектора АКП в положение P (храповик входит в зацепление с шестернёй).

Управление коробкой передач осуществляет блок Mechatronik (рис). Принцип управления позволяет при переключении передач осуществлять плавную регулировку и настройку скорости включения и необходимого для этого усилия. Mechatronik является центральным блоком управления коробки передач. Он объединяет в едином узле электрогидравлический блок управления (исполнительные механизмы), электронный блок управления и часть датчиков.
Управление коробкой передач осуществляет блок Mechatronik (рис. 11.64). Принцип управления позволяет при переключении передач осуществлять плавную регулировку и настройку скорости включения и необходимого для этого усилия. Mechatronik является центральным блоком управления коробки передач. Он объединяет в едином узле электрогидравлический блок управления (исполнительные механизмы), электронный блок управления и часть датчиков.

Блок Mechatronik осуществляет управление, регулирование и выполнение
следующих функций:
– адаптация давления в гидравлической системе в соответствии с требованиями режима работы;
– регулирование работы двойной фрикционной муфты;
– регулирование работы системы охлаждения муфты;
– выбор момента переключения передачи;
– регулирование и управление процессом переключения передач;
– связь с другими блоками управления;
– программа аварийного режима работы;
– самодиагностика.
Разновидностью коробки передач с двумя сцеплениями является семиступенчатая КП со сдвоенным сцеплением ОAM от Volkswagen. В отличие от предыдущей в ней установлены сухие одинарные сцепления. Коробка передач со сдвоенным сцеплением ОAM состоит из двух независимых друг от друга делительных механизмов (рис. 11.65). Каждому делительному механизму соответствует одно сцепление. Блок Mechatronik регулирует, размыкает и замыкает диски обоих сцеплений в зависимости от включаемой передачи.
Через сцепление K1, соответственно через делительный механизм 1 и вторичный вал 1 производится включение 1, 3, 5 и 7 передач. 2, 4, 6 передачи и передача заднего хода включаются через сцепление K2 и соответственно через делительный механизм 2 и вторичные валы 2 и 3. Как и в предыдущей коробке передач здесь могут быть включены две передачи, но замкнуто только одно сцепление, второе в этот момент разомкнуто.
Для каждой передачи предусмотрен стандартный для механической КП механизм синхронизации и переключения передач.

Сдвоенное сцепление расположено в картере сцепления. Оно состоит из двух обычных сцеплений K1 и K2, объединённых в сдвоенное сцепление (рис. 11.66).
Сцепление K1 передаёт крутящий момент через шлиц на первичный вал 1. От первичного вала 1 , установленного внутри полого первичного вала 2, крутящий момент для 1 и 3 передач передаётся на вторичный вал 1, а для 5 и 7 передач — на вторичный вал 2.
Сцепление K2 передаёт крутящий момент через шлиц на полый первичный вал 2. Оттуда крутящий момент для 2 и 4 передач передаётся на вторичный вал 1; а для 6 передачи и передачи заднего хода — на вторичный вал 2. Через промежуточную шестерню передачи заднего хода R1 происходит дальнейшая передача крутящего момента на шестерню передачи заднего хода R2 вторичного вала 3. Все три вторичных вала соединены с зубчатым колесом главной передачи дифференциала.

Крутящий момент передаётся на ведущий диск 12 сдвоенного сцепления через несущее кольцо 9. Для этого несущее кольцо и ведущий диск прочно соединены друг с другом. Ведущий диск установлен на первичном валу 2 (поз. 8) как свободно вращающееся колесо. При задействовании одного из двух сцеплений крутящий момент передаётся от ведущего диска на соответствующий диск сцепления и далее на соответствующий первичный вал.
Для приведения сцепления в действие рычаг выключения сцепления прижимает выжимной подшипник 3 к диафрагменной пружине 2 (рис. 11.67). За счёт этого один из нажимных дисков прижимается к диску сцепления и к ведущему диску. Другой нажимной диск в это время будет не прижат к своему ведомому диску и крутящий момент со второго первичного вала передаваться не будет.

Сцепления K1 и K2 приводятся гидравлически. Для этого в блоке Mechatronik для каждого из сцеплений предусмотрен отдельный привод, который состоит из цилиндра 1 и поршня 5 (рис. 11.68). Поршень приводит рычаг 8 выключения сцепления. На поршне расположен постоянный магнит 3, который служит для распознавания положения поршня с помощью датчика хода сцепления.

В блок центрального модуля управления Mechatronik поступают сигналы от датчиков и сигналы других блоков управления, он же осуществляет контроль и проведение всех действий. Обрабатывая полученные сигналы и сравнивая их с программным обеспечением, блок подает сигнал на исполнительные механизмы – электромагнитных клапанов включения 7-ми передач и привода сцепления.
Переключение соответствующих передач осуществляется за счет цилиндров 2, в которых поршень 3 передвигает вилку 4, воздействующую на синхронизатор (рис. 11.69).

Для включения передачи, например, первой, клапан переключателя передач увеличивает давление масла в левой полости поршня. За счёт этого поршень переключателя передач смещается вправо. Поскольку вилка включения и скользящая муфта соединены с поршнем, то они тоже перемещаются вправо, при этом включается первая передача.
Переключение передач в вышеописанных коробках может осуществляться ручным способом с помощью рычага управления либо клавишами-лепестками сдвигом их вперед или назад, расположенными на рулевом колесе, водитель на самом деле всего лишь передает сигнал электронному блоку управления. Фиксированных положений рычага или лепестков нет, они всегда возвращаются в первоначальное положение. Для выбора решения, принимаемого блоком управления, используется информация от датчиков, которые анализируют режимы работы двигателя, отслеживают скорость и ускорение, с которыми движется автомобиль, определяют положение рулевого колеса, педали акселератора. Управление коробкой передач осуществляется по командам блока управления. Педаль сцепления отсутствует.